Competishun Header

Report Issue

JEE MAIN 2025
03-04-2025 SHIFT-1
Question
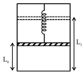
A piston of mass M is hung from a massless spring whose restoring force law goes as ${\rm{F}} = - {\rm{k}}{{\rm{x}}^3}$, where k is the spring constant of appropriate dimension. The piston separates the vertical chamber into two parts, where the bottom part is filled with 'n' moles of an ideal gas. An external work is done on the gas isothermally (at a constant temperature T) with the help of a heating filament (with negligible volume) mounted in lower part of the chamber, so that the piston goes up from a height ${L_0}$ to ${L_1}$ , the total energy delivered by the filament is :(Assume spring to be in its natural length before heating)
Select the correct option:
A
$nRT\ln \left( {\frac{{{L_1}}}{{{L_0}}}} \right) + Mg\left( {{L_1} - {L_0}} \right) + \frac{k}{4}\left( {L_1^4 - {L_0}^4} \right)$
B
$nRT\ln \left( {\frac{{L_1^2}}{{L_0^2}}} \right) + \frac{{Mg}}{2}\left( {{L_1} - {L_0}} \right) + \frac{k}{4}\left( {L_1^4 - {L_0}^4} \right)$
C
$nRT\ln \left( {\frac{{{L_1}}}{{{L_0}}}} \right) + Mg\left( {{L_1} - {L_0}} \right) + \frac{{3k}}{4}\left( {{L_1}^4 - {L_0}^4} \right)$
D
$3nRT\ln \left( {\frac{{{L_1}}}{{{L_0}}}} \right) + 2Mg\left( {{L_1} - {L_0}} \right) + \frac{k}{3}\left( {{L_1}^3 - {L_0}^3} \right)$
✓ Correct! Well done.
✗ Incorrect. Try again or view the solution.
Solution
Solution Image
Question Tags
JEE Main
Physics
Hard
Start Preparing for JEE with Competishun
Filters 0
JEE Main
JEE Advance
Easy
Medium
Hard
Showing 18 questions
QJEE ADVANCE 20062006
Match the following:
JEE AdvanceChemistryEasy
View Solution
QJEE ADVANCE 20062006
According to Bohr's theory, $\mathrm{E}_{\mathrm{n}}=$ Total energy $\mathrm{K}_{\mathrm{n}}=$ Kinetic energy $\mathrm{V}_{\mathrm{n}}=$ Potential energy $\mathrm{r}_{\mathrm{n}}=$ Radius of $\mathrm{n}^{\text {th }}$ orbit...
JEE AdvanceChemistryEasy
View Solution
QJEE ADVANCE 20062006
Match the following:
JEE AdvanceChemistryEasy
View Solution
QJEE ADVANCE 20062006
Match the extraction processes listed in Column I with metals listed in Column II:
JEE AdvanceChemistryEasy
View Solution
QJEE ADVANCE 20062006
The edge length of unit cell of a metal having molecular weight $75 \mathrm{~g} / \mathrm{mol}$ is $5 \AA$ which...
JEE AdvanceChemistryEasy
View Solution
QJEE ADVANCE 20062006
We have taken a saturated solution of $\mathrm{AgBr} . \mathrm{K}_{\text {sp }}$ of AgBr is $12 \times 10^{-14}$. If $10^{-7}$...
JEE AdvanceChemistryEasy
View Solution
QJEE ADVANCE 2006 2006
For the reaction, $2 \mathrm{CO}+\mathrm{O}_2 \longrightarrow 2 \mathrm{CO}_2 ; \Delta \mathrm{H}=-560 \mathrm{~kJ}$. Two moles of CO and one mole of...
JEE AdvanceChemistryEasy
View Solution
QJEE ADVANCE 20062006
75.2 g of $\mathrm{C}_6 \mathrm{H}_5 \mathrm{OH}$ (phenol) is dissolved in a solvent of $\mathrm{K}_{\mathrm{f}}=14$. If the depression in freezing point...
JEE AdvanceChemistryEasy
View Solution
QJEE ADVANCE 20062006
Ammonia is always is added in this reaction. Which of the following must be incorrect?
JEE AdvanceChemistryEasy
View Solution
QJEE ADVANCE 20062006
When ammonia is added to the solution, pH is raised to 11 . Which half-cell reaction is affected by pH...
JEE AdvanceChemistryEasy
View Solution
QJEE ADVANCE 20062006
Find $\ln K$ of this reaction.
JEE AdvanceChemistryEasy
View Solution
QJEE ADVANCE 20062006
A nuclear explosion has taken place leading to increase in concentration of $C^{14}$ in nearby areas. $C^{14}$ concentration is $C_1$...
JEE AdvanceChemistryEasy
View Solution
QJEE ADVANCE 20062006
What should be the age of fossil for meaningful determination of its age?
JEE AdvanceChemistryEasy
View Solution
QJEE ADVANCE 20062006
Which of the following option is correct?
JEE AdvanceChemistryEasy
View Solution
QJEE ADVANCE 20062006
The hybridization of A and B are
JEE AdvanceChemistryEasy
View Solution
QJEE ADVANCE 20062006
Predict the magnetic nature of A and B .
JEE AdvanceChemistryEasy
View Solution
QJEE ADVANCE 20062006
The IUPAC name of $A$ and $B$ are
JEE AdvanceChemistryEasy
View Solution
QJEE ADVANCE 20062006
What are the constituent amines formed when the mixture of (i) and (ii) undergoes Hofmann bromamide degradation?
JEE AdvanceChemistryEasy
View Solution