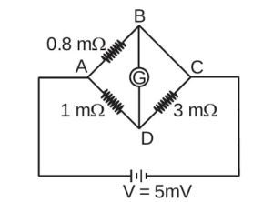
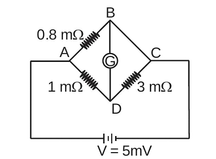
To measure the temperature coefficient of resistivity $\alpha$ of a semiconductor, an electrical arrangement shown in the figure is prepared. The arm BC is made up of the semiconductor. The experiment is being conducted at $25^{\circ} \mathrm{C}$ and resistance of the semiconductor arm is $3 \mathrm{~m} \Omega$ . Arm BC is cooled at a constant rate of $2^{\circ} \mathrm{C} / \mathrm{s}$. If the galvanometer G shows no deflection after$
10 \mathrm{~s}
$ , then $\alpha$ is :
Hello 👋 Welcome to Competishun – India’s most trusted platform for JEE & NEET preparation. Need help with JEE / NEET courses, fees, batches, test series or free study material? Chat with us now 👇